HOME >> Services >> Partners >> FAG Bearing
FAG Bearing
IKO Bearing
INA Bearing
KOYO Bearing
NACHI Bearing
NSK Bearing
NTN Bearing
SKF Bearing
TIMKEN Bearing

Bearing number : 29418-E1
Size (mm) : 90x190x60
Brand : FAG
Bore Diameter (mm) : 90
Outer Diameter (mm) : 190
Width (mm) : 60
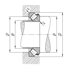
d - 90 mm
D - 190 mm
T - 60 mm
A - 56 mm
D1 - 127,5 mm
Da max - 158 mm
Db min - 193 mm
d1 - 167,7 mm
da min - 135 mm
db max - 99,5 mm
ra max - 2 mm
rmin - 2,1 mm
T1 - 28,5 mm
T3 - 39 mm
T5 - 54 mm
m - 7,5 kg / Weight
Ca - 880000 N / Dynamic load rating (axial)
C0a - 2130000 N / Static load rating (axial)
nG - 3850 1/min / Limiting speed
nB - 1910 1/min / Reference speed
Cua - 236000 N / Fatigue limit load, axial
Main dimensions to DIN 728/ISO 104, single direction, separable