HOME >> Services >> Partners >> FAG Bearing
FAG Bearing
IKO Bearing
INA Bearing
KOYO Bearing
NACHI Bearing
NSK Bearing
NTN Bearing
SKF Bearing
TIMKEN Bearing

Bearing number : 29440-E1
Size (mm) : 200x400x122
Brand : FAG
Bore Diameter (mm) : 200
Outer Diameter (mm) : 400
Width (mm) : 122
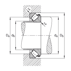
d - 200 mm
D - 400 mm
T - 122 mm
- 30 °
A - 122 mm
D1 - 277,5 mm
Da max - 338 mm
Db min - 406 mm
d1 - 360 mm
da min - 295 mm
db max - 234 mm
db1 max - 220 mm
ra max - 4 mm
rmin - 5 mm
T1 - 59,4 mm
T3 - 77 mm
T5 - 106,9 mm
m - 63,7 kg / Weight
Ca - 3450000 N / Dynamic load rating (axial)
C0a - 9500000 N / Static load rating (axial)
nG - 1670 1/min / Limiting speed
nB - 870 1/min / Reference speed
Cua - 930000 N / Fatigue limit load, axial
Main dimensions to DIN 728/ISO 104, single direction, separable