HOME >> Services >> Partners >> FAG Bearing
FAG Bearing
IKO Bearing
INA Bearing
KOYO Bearing
NACHI Bearing
NSK Bearing
NTN Bearing
SKF Bearing
TIMKEN Bearing

Bearing number : 29472-E1-MB
Size (mm) : 360x640x170
Brand : FAG
Bore Diameter (mm) : 360
Outer Diameter (mm) : 640
Width (mm) : 170
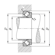
d - 360 mm
D - 640 mm
T - 170 mm
A - 210 mm
D1 - 474 mm
Da max - 560 mm
Db min - 650 mm
d1 - 585 mm
da min - 500 mm
db max - 388 mm
ra max - 6 mm
rmin - 7,5 mm
T1 - 83,5 mm
T2 - 63 mm
T3 - 110 mm
T4 - 164 mm
m - 230,4 kg / Weight
Ca - 6800000 N / Dynamic load rating (axial)
C0a - 21900000 N / Static load rating (axial)
nG - 980 1/min / Limiting speed
nB - 490 1/min / Reference speed
Cua - 2030000 N / Fatigue limit load, axial
Main dimensions to DIN 728/ISO 104, single direction, separable