HOME >> Services >> Partners >> FAG Bearing
FAG Bearing
IKO Bearing
INA Bearing
KOYO Bearing
NACHI Bearing
NSK Bearing
NTN Bearing
SKF Bearing
TIMKEN Bearing

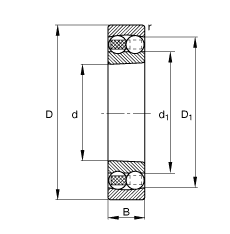
Bearing number : 2206-K-TVH-C3
Size (mm) : 30x62x20
Brand : FAG
Bore Diameter (mm) : 30
Outer Diameter (mm) : 62
Width (mm) : 20
d - 30 mm
D - 62 mm
B - 20 mm
D1 - 54 mm
Da max - 56,4 mm
d1 - 38,5 mm
da min - 35,6 mm
ra max - 1 mm
rmin - 1 mm
m - 0,246 kg / Weight
Cr - 26000 N / Dynamic load rating (radial)
e - 0,3
Y1 - 2,13
Y2 - 3,29
C0r - 6900 N / Static load rating (radial)
Y0 - 2,23
nG - 12000 1/min / Limiting speed
nB - 12700 1/min / Reference speed
Cur - 430 N / Fatigue limit load, radial
Main dimensions to DIN 630