HOME >> Services >> Partners >> FAG Bearing
FAG Bearing
IKO Bearing
INA Bearing
KOYO Bearing
NACHI Bearing
NSK Bearing
NTN Bearing
SKF Bearing
TIMKEN Bearing

Bearing number : 29480-E1-MB
Size (mm) : 400x710x185
Brand : FAG
Bore Diameter (mm) : 400
Outer Diameter (mm) : 710
Width (mm) : 185
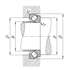
d - 400 mm
D - 710 mm
T - 185 mm
A - 234 mm
D1 - 525 mm
Da max - 622 mm
Db min - 722 mm
d1 - 650 mm
da min - 555 mm
db max - 434 mm
ra max - 6 mm
rmin - 7,5 mm
T1 - 89,5 mm
T2 - 69 mm
T3 - 120 mm
T4 - 178 mm
m - 308,3 kg / Weight
Ca - 8200000 N / Dynamic load rating (axial)
C0a - 26500000 N / Static load rating (axial)
nG - 870 1/min / Limiting speed
nB - 440 1/min / Reference speed
Cua - 2400000 N / Fatigue limit load, axial
Main dimensions to DIN 728/ISO 104, single direction, separable