HOME >> Services >> Partners >> FAG Bearing
FAG Bearing
IKO Bearing
INA Bearing
KOYO Bearing
NACHI Bearing
NSK Bearing
NTN Bearing
SKF Bearing
TIMKEN Bearing

Bearing number : 29484-E-MB
Size (mm) : 420x730x185
Brand : FAG
Bore Diameter (mm) : 420
Outer Diameter (mm) : 730
Width (mm) : 185
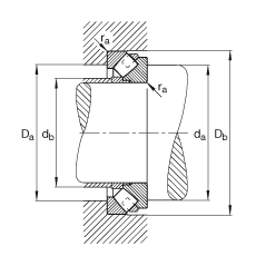
d - 420 mm
D - 730 mm
T - 185 mm
A - 244 mm
D1 - 550 mm
Da max - 643 mm
Db min - 742 mm
d1 - 665 mm
da min - 560 mm
db max - 455 mm
ra max - 6 mm
rmin - 7,5 mm
T1 - 89 mm
T2 - 67 mm
T3 - 117 mm
T4 - 132 mm
m - 302,3 kg / Weight
Ca - 6700000 N / Dynamic load rating (axial)
C0a - 26000000 N / Static load rating (axial)
nG - 640 1/min / Limiting speed
nB - 435 1/min / Reference speed
Cua - 1370000 N / Fatigue limit load, axial
Main dimensions to DIN 728/ISO 104, single direction, separable