HOME >> Services >> Partners >> FAG Bearing
FAG Bearing
IKO Bearing
INA Bearing
KOYO Bearing
NACHI Bearing
NSK Bearing
NTN Bearing
SKF Bearing
TIMKEN Bearing

Bearing number : 29484-E1-MB
Size (mm) : 420x730x185
Brand : FAG
Bore Diameter (mm) : 420
Outer Diameter (mm) : 730
Width (mm) : 185
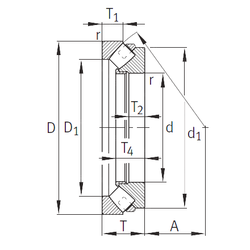
d - 420 mm
D - 730 mm
T - 185 mm
T1 - 90,5 mm
T2 - 70 mm
d1 - 670 mm
r min. - 7,5 mm
A - 244 mm
D1 - 545 mm
da min. - 580 mm
Da max. - 643 mm
db max. - 457 mm
Db min. - 742 mm
ra max. - 6 mm
Weight - 320 Kg
Basic dynamic load rating (C) - 7 000 kN
Basic static load rating (C0) - 28 500 kN
Reference speed - 400 r/min
Limiting speed - 850 r/min