HOME >> Services >> Partners >> FAG Bearing
FAG Bearing
IKO Bearing
INA Bearing
KOYO Bearing
NACHI Bearing
NSK Bearing
NTN Bearing
SKF Bearing
TIMKEN Bearing

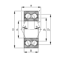
Bearing number : 3004-B-TVH
Size (mm) : 20x42x16
Brand : FAG
Bore Diameter (mm) : 20
Outer Diameter (mm) : 42
Width (mm) : 16
d - 20 mm
D - 42 mm
B - 16 mm
a - 19,1 mm
D1 -
Da max - 38,8 mm
d1 - 25,2 mm
da min - 23,2 mm
ra max - 0,6 mm
rmin - 0,6 mm
β - 25 ° / Angle
m - 0,08 kg / Weight
Cr - 14500 N / Dynamic load rating (radial)
C0r - 9600 N / Static load rating (radial)
Cur - 485 N / radial Fatigue limit load
nG - 13500 1/min / Limiting speed
nB - 13200 1/min / Reference speed