HOME >> Services >> Partners >> FAG Bearing
FAG Bearing
IKO Bearing
INA Bearing
KOYO Bearing
NACHI Bearing
NSK Bearing
NTN Bearing
SKF Bearing
TIMKEN Bearing

Bearing number : 3006-B-2Z-TVH
Size (mm) : 30x55x19
Brand : FAG
Bore Diameter (mm) : 30
Outer Diameter (mm) : 55
Width (mm) : 19
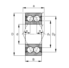
d - 30 mm
D - 55 mm
B - 19 mm
a - 24,8 mm
D2 -
Da max - 50,4 mm
d1 - 35,6 mm
da min - 34,6 mm
ra max - 1 mm
rmin - 1 mm
α - 25 ° / Angle
m - 0,16 kg / Weight
Cr - 20300 N / Dynamic load rating (radial)
C0r - 15600 N / Static load rating (radial)
Cur - 790 N / radial Fatigue limit load
nG - 10100 1/min / Limiting speed
nB - 10000 1/min / Reference speed
double row, Angle α = 25°