HOME >> Services >> Partners >> FAG Bearing
FAG Bearing
IKO Bearing
INA Bearing
KOYO Bearing
NACHI Bearing
NSK Bearing
NTN Bearing
SKF Bearing
TIMKEN Bearing

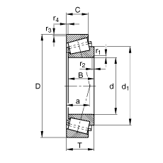
Bearing number : 30209-A
Size (mm) : 45x85x20.75
Brand : FAG
Bore Diameter (mm) : 45
Outer Diameter (mm) : 85
Width (mm) : 20,75
d - 45 mm
D - 85 mm
T - 20,75 mm
a - 18 mm
B - 19 mm
C - 16 mm
Ca min - 3 mm
Cb min - 4,5 mm
Da max - 78 mm
Da min - 74 mm
Db min - 80 mm
d1 - 64 mm
da max - 54 mm
db min - 52 mm
r1, 2 min - 1,5 mm
r3, 4 min - 1,5 mm
ra max - 1,5 mm
rb max - 1,5 mm
m - 0,47 kg / Weight
Cr - 70000 N
C0r - 82000 N / Static load rating (radial)
e - 0,4
Y - 1,48
Y0 - 0,81
Cur - 9600 N / Fatigue limit load, radial
nG - 8800 1/min / Limiting speed
nB - 5400 1/min / Reference speed
Main dimensions to DIN ISO 355 / DIN 720, separable, adjusted or in pairs