HOME >> Services >> Partners >> FAG Bearing
FAG Bearing
IKO Bearing
INA Bearing
KOYO Bearing
NACHI Bearing
NSK Bearing
NTN Bearing
SKF Bearing
TIMKEN Bearing

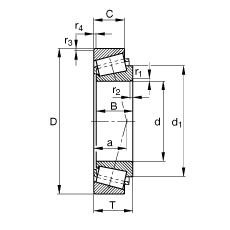
Bearing number : 30214-A
Size (mm) : 70x125x26.25
Brand : FAG
Bore Diameter (mm) : 70
Outer Diameter (mm) : 125
Width (mm) : 26,25
d - 70 mm
D - 125 mm
T - 26,25 mm
a - 25 mm
B - 24 mm
C - 21 mm
Ca min - 4 mm
Cb min - 5 mm
Da max - 116 mm
Da min - 110 mm
Db min - 118 mm
d1 - 95,4 mm
da max - 81 mm
db min - 79 mm
r1, 2 min - 2 mm
r3, 4 min - 1,5 mm
ra max - 2 mm
rb max - 1,5 mm
m - 1,31 kg / Weight
Cr - 130000 N
C0r - 160000 N / Static load rating (radial)
e - 0,42
Y - 1,43
Y0 - 0,79
Cur - 19000 N / Fatigue limit load, radial
nG - 5800 1/min / Limiting speed
nB - 3700 1/min / Reference speed
Main dimensions to DIN ISO 355 / DIN 720, separable, adjusted or in pairs