HOME >> Services >> Partners >> FAG Bearing
FAG Bearing
IKO Bearing
INA Bearing
KOYO Bearing
NACHI Bearing
NSK Bearing
NTN Bearing
SKF Bearing
TIMKEN Bearing

Bearing number : 30218-XL
Size (mm) : 90x160x32.5
Brand : FAG
Bore Diameter (mm) : 90
Outer Diameter (mm) : 160
Width (mm) : 32,5
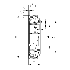
d - 90 mm
D - 160 mm
T - 32,5 mm
a - 31,7 mm
B - 30 mm
C - 26 mm
Ca min - 5 mm
Cb min - 6,5 mm
Da max - 150 mm
Da min - 140 mm
Db min - 150 mm
d1 - 120 mm
da max - 103 mm
db min - 100 mm
r1, 2 min - 2,5 mm
r3, 4 min - 2 mm
ra max - 2,5 mm
rb max - 2 mm
m - 2,61 kg / Weight
Cr - 239000 N
C0r - 260000 N / Static load rating (radial)
e - 0,42
Y - 1,43
Y0 - 0,79
Cur - 36000 N / Fatigue limit load, radial
nG - 4550 1/min / Limiting speed
nB - 3000 1/min / Reference speed
Main dimensions to DIN ISO 355 / DIN 720, separable, adjusted or in pairs