HOME >> Services >> Partners >> FAG Bearing
FAG Bearing
IKO Bearing
INA Bearing
KOYO Bearing
NACHI Bearing
NSK Bearing
NTN Bearing
SKF Bearing
TIMKEN Bearing

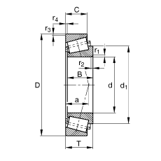
Bearing number : 30222-A
Size (mm) : 110x200x41
Brand : FAG
Bore Diameter (mm) : 110
Outer Diameter (mm) : 200
Width (mm) : 41
d - 110 mm
D - 200 mm
T - 41 mm
a - 39 mm
B - 38 mm
C - 32 mm
Ca min - 6 mm
Cb min - 9 mm
Da max - 188 mm
Da min - 174 mm
Db min - 187 mm
d1 - 148,7 mm
da max - 129 mm
db min - 122 mm
r1, 2 min - 3 mm
r3, 4 min - 2,5 mm
ra max - 3 mm
rb max - 2,5 mm
m - 5,23 kg / Weight
Cr - 315000 N
C0r - 415000 N / Static load rating (radial)
e - 0,42
Y - 1,43
Y0 - 0,79
Cur - 45500 N / Fatigue limit load, radial
nG - 3550 1/min / Limiting speed
nB - 2550 1/min / Reference speed
Main dimensions to DIN ISO 355 / DIN 720, separable, adjusted or in pairs