HOME >> Services >> Partners >> FAG Bearing
FAG Bearing
IKO Bearing
INA Bearing
KOYO Bearing
NACHI Bearing
NSK Bearing
NTN Bearing
SKF Bearing
TIMKEN Bearing

Bearing number : 30224-XL
Size (mm) : 120x215x43.5
Brand : FAG
Bore Diameter (mm) : 120
Outer Diameter (mm) : 215
Width (mm) : 43,5
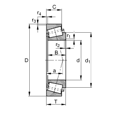
d - 120 mm
D - 215 mm
T - 43,5 mm
a - 43,6 mm
B - 40 mm
C - 34 mm
Ca min - 7,4 mm
Cb min - 9,5 mm
Da max - 203 mm
Da min - 187 mm
Db min - 201 mm
d1 - 162 mm
da max - 138 mm
db min - 145 mm
r1, 2 min - 3 mm
r3, 4 min - 2,5 mm
ra max - 3 mm
rb max - 2,5 mm
m - 6,2 kg / Weight
Cr - 395000 N
C0r - 445000 N / Static load rating (radial)
e - 0,44
Y - 1,38
Y0 - 0,76
Cur - 60000 N / Fatigue limit load, radial
nG - 3300 1/min / Limiting speed
nB - 2460 1/min / Reference speed
Main dimensions to DIN ISO 355 / DIN 720, separable, adjusted or in pairs