HOME >> Services >> Partners >> FAG Bearing
FAG Bearing
IKO Bearing
INA Bearing
KOYO Bearing
NACHI Bearing
NSK Bearing
NTN Bearing
SKF Bearing
TIMKEN Bearing

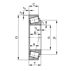
Bearing number : 30228-A
Size (mm) : 140x250x45.75
Brand : FAG
Bore Diameter (mm) : 140
Outer Diameter (mm) : 250
Width (mm) : 45,75
d - 140 mm
D - 250 mm
T - 45,75 mm
a - 48 mm
B - 42 mm
C - 36 mm
Ca min - 9 mm
Cb min - 9,5 mm
Da max - 236 mm
Da min - 219 mm
Db min - 234 mm
d1 - 187 mm
da max - 163 mm
db min - 154 mm
r1, 2 min - 4 mm
r3, 4 min - 3 mm
ra max - 4 mm
rb max - 3 mm
m - 8,81 kg / Weight
Cr - 415000 N
C0r - 560000 N / Static load rating (radial)
e - 0,44
Y - 1,38
Y0 - 0,76
Cur - 66000 N / Fatigue limit load, radial
nG - 2850 1/min / Limiting speed
nB - 2030 1/min / Reference speed
Main dimensions to DIN ISO 355 / DIN 720, separable, adjusted or in pairs