HOME >> Services >> Partners >> FAG Bearing
FAG Bearing
IKO Bearing
INA Bearing
KOYO Bearing
NACHI Bearing
NSK Bearing
NTN Bearing
SKF Bearing
TIMKEN Bearing

Bearing number : 30314-A
Size (mm) : 70x150x38
Brand : FAG
Bore Diameter (mm) : 70
Outer Diameter (mm) : 150
Width (mm) : 38
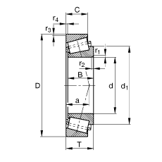
d - 70 mm
D - 150 mm
T - 38 mm
a - 30 mm
B - 35 mm
C - 30 mm
Ca min - 5 mm
Cb min - 8 mm
Da max - 138 mm
Da min - 130 mm
Db min - 140 mm
d1 - 106,6 mm
da max - 89 mm
db min - 82 mm
r1, 2 min - 3 mm
r3, 4 min - 2,5 mm
ra max - 3 mm
rb max - 2,5 mm
m - 3,02 kg / Weight
Cr - 223000 N
C0r - 260000 N / Static load rating (radial)
e - 0,35
Y - 1,74
Y0 - 0,96
Cur - 30500 N / Fatigue limit load, radial
nG - 4900 1/min / Limiting speed
nB - 3750 1/min / Reference speed
Main dimensions to DIN ISO 355 / DIN 720, separable, adjusted or in pairs