HOME >> Services >> Partners >> FAG Bearing
FAG Bearing
IKO Bearing
INA Bearing
KOYO Bearing
NACHI Bearing
NSK Bearing
NTN Bearing
SKF Bearing
TIMKEN Bearing

Bearing number : 30324-A
Size (mm) : 120x260x59.5
Brand : FAG
Bore Diameter (mm) : 120
Outer Diameter (mm) : 260
Width (mm) : 59,5
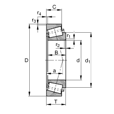
d - 120 mm
D - 260 mm
T - 59,5 mm
a - 48 mm
B - 55 mm
C - 46 mm
Ca min - 10 mm
Cb min - 13,5 mm
Da max - 246 mm
Da min - 221 mm
Db min - 237 mm
d1 - 183,5 mm
da max - 152 mm
db min - 134 mm
r1, 2 min - 4 mm
r3, 4 min - 3 mm
ra max - 4 mm
rb max - 3 mm
m - 14,3 kg / Weight
Cr - 560000 N
C0r - 700000 N / Static load rating (radial)
e - 0,35
Y - 1,74
Y0 - 0,96
Cur - 83000 N / Fatigue limit load, radial
nG - 2800 1/min / Limiting speed
nB - 2160 1/min / Reference speed
Main dimensions to DIN ISO 355 / DIN 720, separable, adjusted or in pairs