HOME >> Services >> Partners >> FAG Bearing
FAG Bearing
IKO Bearing
INA Bearing
KOYO Bearing
NACHI Bearing
NSK Bearing
NTN Bearing
SKF Bearing
TIMKEN Bearing

Bearing number : 32006-X
Size (mm) : 30x55x17
Brand : FAG
Bore Diameter (mm) : 30
Outer Diameter (mm) : 55
Width (mm) : 17
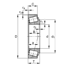
d - 30 mm
D - 55 mm
T - 17 mm
a - 14 mm
B - 17 mm
C - 13 mm
Ca min - 3 mm
Cb min - 4 mm
Da max - 49 mm
Da min - 48 mm
Db min - 52 mm
d1 - 44,1 mm
da max - 35 mm
db min - 36 mm
r1, 2 min - 1 mm
r3, 4 min - 1 mm
ra max - 1 mm
rb max - 1 mm
m - 0,195 kg / Weight
Cr - 38500 N
C0r - 46500 N / Static load rating (radial)
e - 0,43
Y - 1,39
Y0 - 0,77
Cur - 5300 N / Fatigue limit load, radial
nG - 13300 1/min / Limiting speed
nB - 7900 1/min / Reference speed
Main dimensions to DIN ISO 355 / DIN 720, separable, adjusted or in pairs