HOME >> Services >> Partners >> FAG Bearing
FAG Bearing
IKO Bearing
INA Bearing
KOYO Bearing
NACHI Bearing
NSK Bearing
NTN Bearing
SKF Bearing
TIMKEN Bearing

Bearing number : 32008-X-XL
Size (mm) : 40x68x19
Brand : FAG
Bore Diameter (mm) : 40
Outer Diameter (mm) : 68
Width (mm) : 19
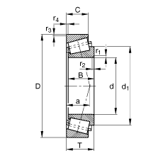
d - 40 mm
D - 68 mm
T - 19 mm
a - 15,1 mm
B - 19 mm
C - 14,5 mm
Ca min - 4 mm
Cb min - 4,5 mm
Da max - 62 mm
Da min - 60 mm
Db min - 65 mm
d1 - 55,2 mm
da max - 46 mm
db min - 46 mm
r1, 2 min - 1 mm
r3, 4 min - 1 mm
ra max - 1 mm
rb max - 1 mm
m - 0,28 kg / Weight
Cr - 63000 N
C0r - 71000 N / Static load rating (radial)
e - 0,38
Y - 1,58
Y0 - 0,87
Cur - 10400 N / Fatigue limit load, radial
nG - 10600 1/min / Limiting speed
nB - 6200 1/min / Reference speed
Main dimensions to DIN ISO 355 / DIN 720, separable, adjusted or in pairs