HOME >> Services >> Partners >> FAG Bearing
FAG Bearing
IKO Bearing
INA Bearing
KOYO Bearing
NACHI Bearing
NSK Bearing
NTN Bearing
SKF Bearing
TIMKEN Bearing

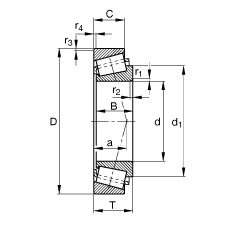
Bearing number : 32011-X
Size (mm) : 55x90x23
Brand : FAG
Bore Diameter (mm) : 55
Outer Diameter (mm) : 90
Width (mm) : 23
d - 55 mm
D - 90 mm
T - 23 mm
a - 20 mm
B - 23 mm
C - 17,5 mm
Ca min - 4 mm
Cb min - 5,5 mm
Da max - 83 mm
Da min - 81 mm
Db min - 86 mm
d1 - 75,8 mm
da max - 63 mm
db min - 62 mm
r1, 2 min - 1,5 mm
r3, 4 min - 1,5 mm
ra max - 1,5 mm
rb max - 1,5 mm
m - 0,573 kg / Weight
Cr - 81000 N
C0r - 118000 N / Static load rating (radial)
e - 0,41
Y - 1,48
Y0 - 0,81
Cur - 14600 N / Fatigue limit load, radial
nG - 7700 1/min / Limiting speed
nB - 4700 1/min / Reference speed
Main dimensions to DIN ISO 355 / DIN 720, separable, adjusted or in pairs