HOME >> Services >> Partners >> FAG Bearing
FAG Bearing
IKO Bearing
INA Bearing
KOYO Bearing
NACHI Bearing
NSK Bearing
NTN Bearing
SKF Bearing
TIMKEN Bearing

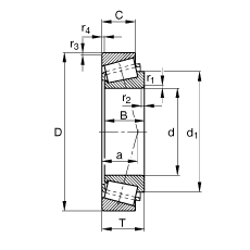
Bearing number : 32017-X
Size (mm) : 85x130x29
Brand : FAG
Bore Diameter (mm) : 85
Outer Diameter (mm) : 130
Width (mm) : 29
d - 85 mm
D - 130 mm
T - 29 mm
a - 29 mm
B - 29 mm
C - 22 mm
Ca min - 6 mm
Cb min - 7 mm
Da max - 122 mm
Da min - 117 mm
Db min - 125 mm
d1 - 109,5 mm
da max - 94 mm
db min - 92 mm
r1, 2 min - 1,5 mm
r3, 4 min - 1,5 mm
ra max - 1,5 mm
rb max - 1,5 mm
m - 1,36 kg / Weight
Cr - 141000 N
C0r - 224000 N / Static load rating (radial)
e - 0,44
Y - 1,36
Y0 - 0,75
Cur - 28000 N / Fatigue limit load, radial
nG - 5200 1/min / Limiting speed
nB - 3300 1/min / Reference speed
Main dimensions to DIN ISO 355 / DIN 720, separable, adjusted or in pairs