HOME >> Services >> Partners >> FAG Bearing
FAG Bearing
IKO Bearing
INA Bearing
KOYO Bearing
NACHI Bearing
NSK Bearing
NTN Bearing
SKF Bearing
TIMKEN Bearing

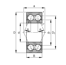
Bearing number : 3202-BD
Size (mm) : 15x35x15.9
Brand : FAG
Bore Diameter (mm) : 15
Outer Diameter (mm) : 35
Width (mm) : 15,9
d - 15 mm
D - 35 mm
B - 15,9 mm
a - 20,734 mm
D1 - 29,3 mm
Da max - 30,8 mm
d1 - 22,2 mm
da min - 19,2 mm
ra max - 0,6 mm
rmin - 0,6 mm
α - 30 ° / Angle
m - 0,065 kg / Weight
Cr - 12600 N / Dynamic load rating (radial)
C0r - 7400 N / Static load rating (radial)
Cur - 500 N / Fatigue limit load, radial
nG - 22300 1/min / Limiting speed
nB - 18500 1/min / Reference speed
Main dimensions to DIN 628-3, double row, Angle α = 30°