HOME >> Services >> Partners >> FAG Bearing
FAG Bearing
IKO Bearing
INA Bearing
KOYO Bearing
NACHI Bearing
NSK Bearing
NTN Bearing
SKF Bearing
TIMKEN Bearing

Bearing number : 32020-X-XL
Size (mm) : 100x150x32
Brand : FAG
Bore Diameter (mm) : 100
Outer Diameter (mm) : 150
Width (mm) : 32
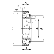
d - 100 mm
D - 150 mm
T - 32 mm
a - 33 mm
B - 32 mm
C - 24 mm
Ca min - 6 mm
Cb min - 8 mm
Da max - 141 mm
Da min - 134 mm
Db min - 144 mm
d1 - 126,3 mm
da max - 109 mm
db min - 109 mm
r1, 2 min - 2 mm
r3, 4 min - 1,5 mm
ra max - 2 mm
rb max - 1,5 mm
m - 1,94 kg / Weight
Cr - 205000 N
C0r - 285000 N / Static load rating (radial)
e - 0,46
Y - 1,31
Y0 - 0,72
Cur - 41500 N / Fatigue limit load, radial
nG - 4500 1/min / Limiting speed
nB - 2900 1/min / Reference speed
Main dimensions to DIN ISO 355 / DIN 720, separable, adjusted or in pairs