HOME >> Services >> Partners >> FAG Bearing
FAG Bearing
IKO Bearing
INA Bearing
KOYO Bearing
NACHI Bearing
NSK Bearing
NTN Bearing
SKF Bearing
TIMKEN Bearing

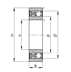
Bearing number : 2212-2RS-TVH
Size (mm) : 60x110x28
Brand : FAG
Bore Diameter (mm) : 60
Outer Diameter (mm) : 110
Width (mm) : 28
d - 60 mm
D - 110 mm
B - 28 mm
D2 - 98,5 mm
Da max - 101 mm
da min - 69 mm
ra max - 1,5 mm
rmin - 1,5 mm
m - 1,13 kg / Weight
Cr - 30500 N / Dynamic load rating (radial)
e - 0,18
Y1 - 3,47
Y2 - 5,37
C0r - 11400 N / Static load rating (radial)
Y0 - 3,64
nG - 4300 1/min / Limiting speed
nB - - 1/min / Reference speed
Cur - 710 N / Fatigue limit load, radial
Main dimensions to DIN 630, lip seal on both side