HOME >> Services >> Partners >> FAG Bearing
FAG Bearing
IKO Bearing
INA Bearing
KOYO Bearing
NACHI Bearing
NSK Bearing
NTN Bearing
SKF Bearing
TIMKEN Bearing

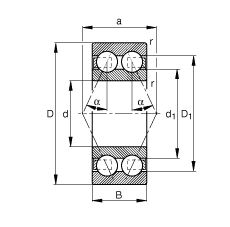
Bearing number : 3212-BD
Size (mm) : 60x110x36.5
Brand : FAG
Bore Diameter (mm) : 60
Outer Diameter (mm) : 110
Width (mm) : 36,5
d - 60 mm
D - 110 mm
B - 36,5 mm
a - 65 mm
D1 - 97 mm
Da max - 101 mm
d1 - 78,9 mm
da min - 69 mm
ra max - 1,5 mm
rmin - 1,5 mm
α - 30 ° / Angle
m - 1,31 kg / Weight
Cr - 75000 N / Dynamic load rating (radial)
C0r - 64000 N / Static load rating (radial)
Cur - 4300 N / Fatigue limit load, radial
nG - 6300 1/min / Limiting speed
nB - 6700 1/min / Reference speed
Main dimensions to DIN 628-3, double row, Angle α = 30°