HOME >> Services >> Partners >> FAG Bearing
FAG Bearing
IKO Bearing
INA Bearing
KOYO Bearing
NACHI Bearing
NSK Bearing
NTN Bearing
SKF Bearing
TIMKEN Bearing

Bearing number : 32218-XL
Size (mm) : 90x160x42.5
Brand : FAG
Bore Diameter (mm) : 90
Outer Diameter (mm) : 160
Width (mm) : 42,5
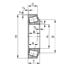
d - 90 mm
D - 160 mm
T - 42,5 mm
a - 36 mm
B - 40 mm
C - 34 mm
Ca min - 5 mm
Cb min - 8,5 mm
Da max - 150 mm
Da min - 138 mm
Db min - 152 mm
d1 - 121,8 mm
da max - 102 mm
db min - 100 mm
r1, 2 min - 2,5 mm
r3, 4 min - 2 mm
ra max - 2,5 mm
rb max - 2 mm
m - 3,43 kg / Weight
Cr - 310000 N
C0r - 360000 N / Static load rating (radial)
e - 0,42
Y - 1,43
Y0 - 0,79
Cur - 53000 N / Fatigue limit load, radial
nG - 4350 1/min / Limiting speed
nB - 2800 1/min / Reference speed
Main dimensions to DIN ISO 355 / DIN 720, separable, adjusted or in pairs