HOME >> Services >> Partners >> FAG Bearing
FAG Bearing
IKO Bearing
INA Bearing
KOYO Bearing
NACHI Bearing
NSK Bearing
NTN Bearing
SKF Bearing
TIMKEN Bearing

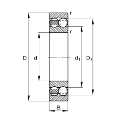
Bearing number : 2214-M
Size (mm) : 70x125x31
Brand : FAG
Bore Diameter (mm) : 70
Outer Diameter (mm) : 125
Width (mm) : 31
d - 70 mm
D - 125 mm
B - 31 mm
D1 - 108,9 mm
Da max - 116 mm
d1 - 87,6 mm
da min - 79 mm
ra max - 1,5 mm
rmin - 1,5 mm
m - 1,69 kg / Weight
Cr - 44000 N / Dynamic load rating (radial)
e - 0,27
Y1 - 2,34
Y2 - 3,62
C0r - 16900 N / Static load rating (radial)
Y0 - 2,45
nG - 8500 1/min / Limiting speed
nB - 6600 1/min / Reference speed
Cur - 1050 N / Fatigue limit load, radial
Main dimensions to DIN 630