HOME >> Services >> Partners >> FAG Bearing
FAG Bearing
IKO Bearing
INA Bearing
KOYO Bearing
NACHI Bearing
NSK Bearing
NTN Bearing
SKF Bearing
TIMKEN Bearing

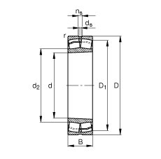
Bearing number : 22207-E1-K
Size (mm) : 35x72x23
Brand : FAG
Bore Diameter (mm) : 35
Outer Diameter (mm) : 72
Width (mm) : 23
d - 35 mm
D - 72 mm
B - 23 mm
D1 - 62,5 mm
Da max - 65 mm
d2 - 43,9 mm
da min - 42 mm
ds - 3,2 mm
ns - 4,8 mm
ra max - 1 mm
rmin - 1,1 mm
m - 0,434 kg / Weight
Cr - 89000 N / Dynamic load rating (radial)
e - 0,31
Y1 - 2,21
Y2 - 3,29
C0r - 81000 N / Static load rating (radial)
Y0 - 2,16
nG - 10700 1/min / Limiting speed
nB - 7300 1/min
Cur - 9400 N / Fatigue limit load, radial
Main dimensions to DIN 635-2