HOME >> Services >> Partners >> FAG Bearing
FAG Bearing
IKO Bearing
INA Bearing
KOYO Bearing
NACHI Bearing
NSK Bearing
NTN Bearing
SKF Bearing
TIMKEN Bearing

Bearing number : 22209-E1-K + AH309
Size (mm) : 40x85x23
Brand : FAG
Bore Diameter (mm) : 40
Outer Diameter (mm) : 85
Width (mm) : 23
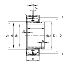
d1H - 40 mm
D - 85 mm
B - 23 mm
a - 3 mm
b - 6 mm
D1 - 75,6 mm
Da max - 78 mm
d - 45 mm
d2 - 55 mm
d2G - M50X1,5
da min - 52 mm
ds - 3,2 mm
l - 31 mm
ns - 4,8 mm
ra max - 1 mm
rmin - 1,1 mm
- AH309 / Designation, withdrawal sleeve
m - 0,577 kg / Weight
m1 - 0,11 kg / Weight, withdrawal sleeve
Cr - 104000 N
e - 0,25
Y1 - 2,74
Y2 - 4,08
C0r - 99000 N / Static load rating (radial)
Y0 - 2,68
nG - 10100 1/min / Limiting speed
nB - 5800 1/min / Reference speed
Cur -
Main dimensions to DIN 635-2