HOME >> Services >> Partners >> FAG Bearing
FAG Bearing
IKO Bearing
INA Bearing
KOYO Bearing
NACHI Bearing
NSK Bearing
NTN Bearing
SKF Bearing
TIMKEN Bearing

Bearing number : 22215-E1-K + AH315G
Size (mm) : 70x130x31
Brand : FAG
Bore Diameter (mm) : 70
Outer Diameter (mm) : 130
Width (mm) : 31
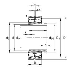
d1H - 70 mm
D - 130 mm
B - 31 mm
a - 4 mm
b - 8 mm
D1 - 117,7 mm
Da max - 121 mm
d - 75 mm
d2 - 89,8 mm
d2G - M80X2
da min - 84 mm
ds - 3,2 mm
l - 45 mm
ns - 6,5 mm
ra max - 1,5 mm
rmin - 1,5 mm
- AH315G / Designation, withdrawal sleeve
m - 1,68 kg / Weight
m1 - 0,29 kg / Weight, withdrawal sleeve
Cr - 216000 N
e - 0,22
Y1 - 3,1
Y2 - 4,62
C0r - 237000 N / Static load rating (radial)
Y0 - 3,03
nG - 6500 1/min / Limiting speed
nB - 3900 1/min / Reference speed
Cur -
Main dimensions to DIN 635-2