HOME >> Services >> Partners >> FAG Bearing
FAG Bearing
IKO Bearing
INA Bearing
KOYO Bearing
NACHI Bearing
NSK Bearing
NTN Bearing
SKF Bearing
TIMKEN Bearing

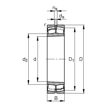
Bearing number : 22222-E1-K
Size (mm) : 110x200x53
Brand : FAG
Bore Diameter (mm) : 110
Outer Diameter (mm) : 200
Width (mm) : 53
d - 110 mm
D - 200 mm
B - 53 mm
D1 - 178,7 mm
Da max - 188 mm
d2 - 129,4 mm
da min - 122 mm
ds - 4,8 mm
ns - 9,5 mm
ra max - 2,1 mm
rmin - 2,1 mm
m - 6,99 kg / Weight
Cr - 550000 N / Dynamic load rating (radial)
e - 0,25
Y1 - 2,71
Y2 - 4,04
C0r - 600000 N / Static load rating (radial)
Y0 - 2,65
nG - 4100 1/min / Limiting speed
nB - 3100 1/min
Cur - 62000 N / Fatigue limit load, radial
Main dimensions to DIN 635-2