HOME >> Services >> Partners >> FAG Bearing
FAG Bearing
IKO Bearing
INA Bearing
KOYO Bearing
NACHI Bearing
NSK Bearing
NTN Bearing
SKF Bearing
TIMKEN Bearing

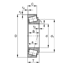
Bearing number : 32956
Size (mm) : 280x380x63.5
Brand : FAG
Bore Diameter (mm) : 280
Outer Diameter (mm) : 380
Width (mm) : 63,5
d - 280 mm
D - 380 mm
T - 63,5 mm
a - 75 mm
B - 63,5 mm
C - 48 mm
Ca min - 11 mm
Cb min - 15,5 mm
Da max - 368 mm
Da min - 348 mm
Db min - 368 mm
d1 - 330 mm
da max - 298 mm
db min - 292 mm
r1, 2 min - 3 mm
r3, 4 min - 2,5 mm
ra max - 3 mm
rb max - 2,5 mm
m - 19,9 kg / Weight
Cr - 740000 N
C0r - 1520000 N / Static load rating (radial)
e - 0,43
Y - 1,39
Y0 - 0,76
Cur - 162000 N / Fatigue limit load, radial
nG - 1670 1/min / Limiting speed
nB - 940 1/min / Reference speed
Main dimensions to DIN ISO 355 / DIN 720, separable, adjusted or in pairs