HOME >> Services >> Partners >> FAG Bearing
FAG Bearing
IKO Bearing
INA Bearing
KOYO Bearing
NACHI Bearing
NSK Bearing
NTN Bearing
SKF Bearing
TIMKEN Bearing

Bearing number : 32968
Size (mm) : 340x460x76
Brand : FAG
Bore Diameter (mm) : 340
Outer Diameter (mm) : 460
Width (mm) : 76
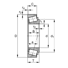
d - 340 mm
D - 460 mm
T - 76 mm
a - 90,9 mm
B - 76 mm
C - 57 mm
Ca min - 12 mm
Cb min - 19 mm
Da max - 446 mm
Da min - 421 mm
Db min - 446 mm
d1 - 404 mm
da max - 361 mm
db min - 354 mm
r1, 2 min - 4 mm
r3, 4 min - 3 mm
ra max - 4 mm
rb max - 3 mm
m - 35,5 kg / Weight
Cr - 1080000 N
C0r - 2370000 N / Static load rating (radial)
e - 0,44
Y - 1,37
Y0 - 0,75
Cur - 237000 N / Fatigue limit load, radial
nG - 1360 1/min / Limiting speed
nB - 690 1/min / Reference speed
Main dimensions to DIN ISO 355 / DIN 720, separable, adjusted or in pairs