HOME >> Services >> Partners >> FAG Bearing
FAG Bearing
IKO Bearing
INA Bearing
KOYO Bearing
NACHI Bearing
NSK Bearing
NTN Bearing
SKF Bearing
TIMKEN Bearing

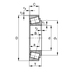
Bearing number : 33013
Size (mm) : 65x100x27
Brand : FAG
Bore Diameter (mm) : 65
Outer Diameter (mm) : 100
Width (mm) : 27
d - 65 mm
D - 100 mm
T - 27 mm
a - 21 mm
B - 27 mm
C - 21 mm
Ca min - 5 mm
Cb min - 6 mm
Da max - 93 mm
Da min - 89 mm
Db min - 96 mm
d1 - 84,6 mm
da max - 72 mm
db min - 72 mm
r1, 2 min - 1,5 mm
r3, 4 min - 1,5 mm
ra max - 1,5 mm
rb max - 1,5 mm
m - 0,766 kg / Weight
Cr - 100000 N
C0r - 161000 N / Static load rating (radial)
e - 0,35
Y - 1,72
Y0 - 0,95
Cur - 20300 N / Fatigue limit load, radial
nG - 6900 1/min / Limiting speed
nB - 4300 1/min / Reference speed
Main dimensions to DIN ISO 355 / DIN 720, separable, adjusted or in pairs