HOME >> Services >> Partners >> FAG Bearing
FAG Bearing
IKO Bearing
INA Bearing
KOYO Bearing
NACHI Bearing
NSK Bearing
NTN Bearing
SKF Bearing
TIMKEN Bearing

Bearing number : 33015
Size (mm) : 75x115x31
Brand : FAG
Bore Diameter (mm) : 75
Outer Diameter (mm) : 115
Width (mm) : 31
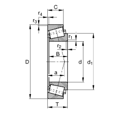
d - 75 mm
D - 115 mm
T - 31 mm
a - 23 mm
B - 31 mm
C - 25,5 mm
Ca min - 6 mm
Cb min - 5,5 mm
Da max - 108 mm
Da min - 104 mm
Db min - 110 mm
d1 - 96,4 mm
da max - 83 mm
db min - 82 mm
r1, 2 min - 1,5 mm
r3, 4 min - 1,5 mm
ra max - 1,5 mm
rb max - 1,5 mm
m - 1,16 kg / Weight
Cr - 139000 N
C0r - 232000 N / Static load rating (radial)
e - 0,3
Y - 2,01
Y0 - 1,11
Cur - 30000 N / Fatigue limit load, radial
nG - 5900 1/min / Limiting speed
nB - 3700 1/min / Reference speed
Main dimensions to DIN ISO 355 / DIN 720, separable, adjusted or in pairs