HOME >> Services >> Partners >> FAG Bearing
FAG Bearing
IKO Bearing
INA Bearing
KOYO Bearing
NACHI Bearing
NSK Bearing
NTN Bearing
SKF Bearing
TIMKEN Bearing

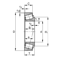
Bearing number : 33016
Size (mm) : 80x125x36
Brand : FAG
Bore Diameter (mm) : 80
Outer Diameter (mm) : 125
Width (mm) : 36
d - 80 mm
D - 125 mm
T - 36 mm
a - 26 mm
B - 36 mm
C - 29,5 mm
Ca min - 6 mm
Cb min - 6,5 mm
Da max - 117 mm
Da min - 112 mm
Db min - 119 mm
d1 - 102,6 mm
da max - 90 mm
db min - 87 mm
r1, 2 min - 1,5 mm
r3, 4 min - 1,5 mm
ra max - 1,5 mm
rb max - 1,5 mm
m - 1,67 kg / Weight
Cr - 175000 N
C0r - 290000 N / Static load rating (radial)
e - 0,28
Y - 2,16
Y0 - 1,19
Cur - 37000 N / Fatigue limit load, radial
nG - 5400 1/min / Limiting speed
nB - 3600 1/min / Reference speed
Main dimensions to DIN ISO 355 / DIN 720, separable, adjusted or in pairs