HOME >> Services >> Partners >> FAG Bearing
FAG Bearing
IKO Bearing
INA Bearing
KOYO Bearing
NACHI Bearing
NSK Bearing
NTN Bearing
SKF Bearing
TIMKEN Bearing

Bearing number : 33018
Size (mm) : 90x140x39
Brand : FAG
Bore Diameter (mm) : 90
Outer Diameter (mm) : 140
Width (mm) : 39
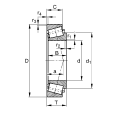
d - 90 mm
D - 140 mm
T - 39 mm
a - 28 mm
B - 39 mm
C - 32,5 mm
Ca min - 7 mm
Cb min - 6,5 mm
Da max - 131 mm
Da min - 127 mm
Db min - 135 mm
d1 - 116 mm
da max - 100 mm
db min - 99 mm
r1, 2 min - 2 mm
r3, 4 min - 1,5 mm
ra max - 2 mm
rb max - 1,5 mm
m - 2,26 kg / Weight
Cr - 216000 N
C0r - 365000 N / Static load rating (radial)
e - 0,27
Y - 2,23
Y0 - 1,23
Cur - 45000 N / Fatigue limit load, radial
nG - 4750 1/min / Limiting speed
nB - 3150 1/min / Reference speed
Main dimensions to DIN ISO 355 / DIN 720, separable, adjusted or in pairs