HOME >> Services >> Partners >> FAG Bearing
FAG Bearing
IKO Bearing
INA Bearing
KOYO Bearing
NACHI Bearing
NSK Bearing
NTN Bearing
SKF Bearing
TIMKEN Bearing

Bearing number : 33022
Size (mm) : 110x170x47
Brand : FAG
Bore Diameter (mm) : 110
Outer Diameter (mm) : 170
Width (mm) : 47
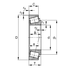
d - 110 mm
D - 170 mm
T - 47 mm
a - 33 mm
B - 47 mm
C - 37 mm
Ca min - 7 mm
Cb min - 10 mm
Da max - 160 mm
Da min - 152 mm
Db min - 161 mm
d1 - 139,2 mm
da max - 123 mm
db min - 120 mm
r1, 2 min - 2,5 mm
r3, 4 min - 2 mm
ra max - 2,5 mm
rb max - 2 mm
m - 4,16 kg / Weight
Cr - 295000 N
C0r - 520000 N / Static load rating (radial)
e - 0,29
Y - 2,09
Y0 - 1,15
Cur - 61000 N / Fatigue limit load, radial
nG - 3950 1/min / Limiting speed
nB - 2750 1/min / Reference speed
Main dimensions to DIN ISO 355 / DIN 720, separable, adjusted or in pairs