HOME >> Services >> Partners >> FAG Bearing
FAG Bearing
IKO Bearing
INA Bearing
KOYO Bearing
NACHI Bearing
NSK Bearing
NTN Bearing
SKF Bearing
TIMKEN Bearing

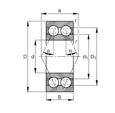
Bearing number : 3303-BD-TVH
Size (mm) : 17x47x22.2
Brand : FAG
Bore Diameter (mm) : 17
Outer Diameter (mm) : 47
Width (mm) : 22,2
d - 17 mm
D - 47 mm
B - 22,2 mm
a - 27,506 mm
D1 - 39 mm
Da max - 41,4 mm
d1 - 28,5 mm
da min - 22,6 mm
ra max - 1 mm
rmin - 1 mm
α - 30 ° / Angle
m - 0,177 kg / Weight
Cr - 22500 N / Dynamic load rating (radial)
C0r - 13100 N / Static load rating (radial)
Cur - 880 N / Fatigue limit load, radial
nG - 16600 1/min / Limiting speed
nB - 12600 1/min / Reference speed
Main dimensions to DIN 628-3, double row, Angle α = 30°