HOME >> Services >> Partners >> FAG Bearing
FAG Bearing
IKO Bearing
INA Bearing
KOYO Bearing
NACHI Bearing
NSK Bearing
NTN Bearing
SKF Bearing
TIMKEN Bearing

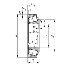
Bearing number : 33030
Size (mm) : 150x225x59
Brand : FAG
Bore Diameter (mm) : 150
Outer Diameter (mm) : 225
Width (mm) : 59
d - 150 mm
D - 225 mm
T - 59 mm
a - 48 mm
B - 59 mm
C - 46 mm
Ca min - 8 mm
Cb min - 13 mm
Da max - 213 mm
Da min - 200 mm
Db min - 217 mm
d1 - 190 mm
da max - 164 mm
db min - 162 mm
r1, 2 min - 3 mm
r3, 4 min - 2,5 mm
ra max - 3 mm
rb max - 2,5 mm
m - 8,23 kg / Weight
Cr - 465000 N
C0r - 880000 N / Static load rating (radial)
e - 0,36
Y - 1,65
Y0 - 0,9
Cur - 96000 N / Fatigue limit load, radial
nG - 2850 1/min / Limiting speed
nB - 1930 1/min / Reference speed
Main dimensions to DIN ISO 355 / DIN 720, separable, adjusted or in pairs