HOME >> Services >> Partners >> FAG Bearing
FAG Bearing
IKO Bearing
INA Bearing
KOYO Bearing
NACHI Bearing
NSK Bearing
NTN Bearing
SKF Bearing
TIMKEN Bearing

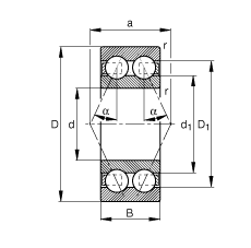
Bearing number : 3304-BD-TVH
Size (mm) : 20x52x22.2
Brand : FAG
Bore Diameter (mm) : 20
Outer Diameter (mm) : 52
Width (mm) : 22,2
d - 20 mm
D - 52 mm
B - 22,2 mm
a - 30,393 mm
D1 - 44 mm
Da max - 45 mm
d1 - 33,5 mm
da min - 27 mm
ra max - 1 mm
rmin - 1,1 mm
α - 30 ° / Angle
m - 0,215 kg / Weight
Cr - 24600 N / Dynamic load rating (radial)
C0r - 15900 N / Static load rating (radial)
Cur - 1070 N / Fatigue limit load, radial
nG - 14700 1/min / Limiting speed
nB - 10900 1/min / Reference speed
Main dimensions to DIN 628-3, double row, Angle α = 30°