HOME >> Services >> Partners >> FAG Bearing
FAG Bearing
IKO Bearing
INA Bearing
KOYO Bearing
NACHI Bearing
NSK Bearing
NTN Bearing
SKF Bearing
TIMKEN Bearing

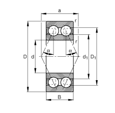
Bearing number : 3306-BD
Size (mm) : 30x72x30.2
Brand : FAG
Bore Diameter (mm) : 30
Outer Diameter (mm) : 72
Width (mm) : 30,2
d - 30 mm
D - 72 mm
B - 30,2 mm
a - 41,851 mm
D1 - 60,5 mm
Da max - 65 mm
d1 - 46,25 mm
da min - 37 mm
ra max - 1 mm
rmin - 1,1 mm
α - 30 ° / Angle
m - 0,56 kg / Weight
Cr - 43000 N / Dynamic load rating (radial)
C0r - 29500 N / Static load rating (radial)
Cur - 1990 N / Fatigue limit load, radial
nG - 10400 1/min / Limiting speed
nB - 8500 1/min / Reference speed
Main dimensions to DIN 628-3, double row, Angle α = 30°