HOME >> Services >> Partners >> FAG Bearing
FAG Bearing
IKO Bearing
INA Bearing
KOYO Bearing
NACHI Bearing
NSK Bearing
NTN Bearing
SKF Bearing
TIMKEN Bearing

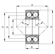
Bearing number : 3306-DA
Size (mm) : 30x72x30.2
Brand : FAG
Bore Diameter (mm) : 30
Outer Diameter (mm) : 72
Width (mm) : 30,2
d - 30 mm
D - 72 mm
B - 30,2 mm
a - 67 mm
D1 - 61,5 mm
Da max - 65 mm
d1 - 55,2 mm
da min - 37 mm
ra max - 1 mm
rmin - 1,1 mm
α - 45 ° / Angle
m - 0,657 kg / Weight
Cr - 41000 N / Dynamic load rating (radial)
C0r - 36000 N / Static load rating (radial)
nG - 10900 1/min / Limiting speed
nB - 7600 1/min / Reference speed
Cur - 1820 N / Fatigue limit load, radial
Main dimensions to DIN 628-3, double row, separable, Angle α = 45°