HOME >> Services >> Partners >> FAG Bearing
FAG Bearing
IKO Bearing
INA Bearing
KOYO Bearing
NACHI Bearing
NSK Bearing
NTN Bearing
SKF Bearing
TIMKEN Bearing

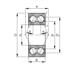
Bearing number : 3307-BD-TVH
Size (mm) : 35x80x34.9
Brand : FAG
Bore Diameter (mm) : 35
Outer Diameter (mm) : 80
Width (mm) : 34,9
d - 35 mm
D - 80 mm
B - 34,9 mm
a - 47,986 mm
D1 - 68,9 mm
Da max - 71 mm
d1 - 51,8 mm
da min - 44 mm
ra max - 1,5 mm
rmin - 1,5 mm
α - 30 ° / Angle
m - 0,706 kg / Weight
Cr - 55000 N / Dynamic load rating (radial)
C0r - 36500 N / Static load rating (radial)
Cur - 2460 N / Fatigue limit load, radial
nG - 9000 1/min / Limiting speed
nB - 8100 1/min / Reference speed
Main dimensions to DIN 628-3, double row, Angle α = 30°