HOME >> Services >> Partners >> FAG Bearing
FAG Bearing
IKO Bearing
INA Bearing
KOYO Bearing
NACHI Bearing
NSK Bearing
NTN Bearing
SKF Bearing
TIMKEN Bearing

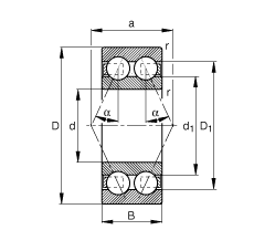
Bearing number : 3308-BD
Size (mm) : 40x90x36.5
Brand : FAG
Bore Diameter (mm) : 40
Outer Diameter (mm) : 90
Width (mm) : 36,5
d - 40 mm
D - 90 mm
B - 36,5 mm
a - 53,109 mm
D1 - 77 mm
Da max - 81 mm
d1 - 59 mm
da min - 49 mm
ra max - 1,5 mm
rmin - 1,5 mm
β - 30 ° / Angle
m - 0,99 kg / Weight
Cr - 67000 N / Dynamic load rating (radial)
C0r - 48500 N / Static load rating (radial)
Cur - 3250 N / Fatigue limit load, radial
nG - 8000 1/min / Limiting speed
nB - 7000 1/min / Reference speed
Main dimensions to DIN 628-3, double row, Angle α = 30°