HOME >> Services >> Partners >> FAG Bearing
FAG Bearing
IKO Bearing
INA Bearing
KOYO Bearing
NACHI Bearing
NSK Bearing
NTN Bearing
SKF Bearing
TIMKEN Bearing

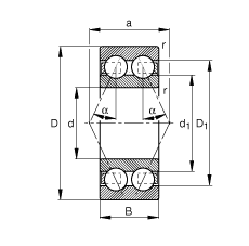
Bearing number : 3309-BD
Size (mm) : 45x100x39.7
Brand : FAG
Bore Diameter (mm) : 45
Outer Diameter (mm) : 100
Width (mm) : 39,7
d - 45 mm
D - 100 mm
B - 39,7 mm
a - 57,8 mm
D1 - 84,4 mm
Da max - 91 mm
d1 - 65,5 mm
da min - 54 mm
ra max - 1,5 mm
rmin - 1,5 mm
α - 30 ° / Angle
m - 1,35 kg / Weight
Cr - 72000 N / Dynamic load rating (radial)
C0r - 54000 N / Static load rating (radial)
Cur - 3600 N / Fatigue limit load, radial
nG - 7300 1/min / Limiting speed
nB - 6500 1/min / Reference speed
Main dimensions to DIN 628-3, double row, Angle α = 30°