HOME >> Services >> Partners >> FAG Bearing
FAG Bearing
IKO Bearing
INA Bearing
KOYO Bearing
NACHI Bearing
NSK Bearing
NTN Bearing
SKF Bearing
TIMKEN Bearing

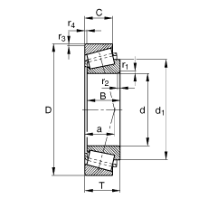
Bearing number : 33108
Size (mm) : 40x75x26
Brand : FAG
Bore Diameter (mm) : 40
Outer Diameter (mm) : 75
Width (mm) : 26
d - 40 mm
D - 75 mm
T - 26 mm
a - 18 mm
B - 26 mm
C - 20,5 mm
Ca min - 4 mm
Cb min - 5,5 mm
Da max - 68 mm
Da min - 65 mm
Db min - 71 mm
d1 - 58,7 mm
da max - 47 mm
db min - 47 mm
r1, 2 min - 1,5 mm
r3, 4 min - 1,5 mm
ra max - 1,5 mm
rb max - 1,5 mm
m - 0,541 kg / Weight
Cr - 79000 N
C0r - 103000 N / Static load rating (radial)
e - 0,36
Y - 1,69
Y0 - 0,93
Cur - 12800 N / Fatigue limit load, radial
nG - 9500 1/min / Limiting speed
nB - 5500 1/min / Reference speed
Main dimensions to DIN ISO 355 / DIN 720, separable, adjusted or in pairs