HOME >> Services >> Partners >> FAG Bearing
FAG Bearing
IKO Bearing
INA Bearing
KOYO Bearing
NACHI Bearing
NSK Bearing
NTN Bearing
SKF Bearing
TIMKEN Bearing

Bearing number : 3312-DA
Size (mm) : 60x130x54
Brand : FAG
Bore Diameter (mm) : 60
Outer Diameter (mm) : 130
Width (mm) : 54
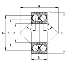
d - 60 mm
D - 130 mm
B - 54 mm
a - 122 mm
D1 - 115,8 mm
Da max - 118 mm
d1 - 101,7 mm
da min - 72 mm
ra max - 2,1 mm
rmin - 2,1 mm
α - 45 ° / Angle
m - 3,39 kg / Weight
Cr - 121000 N / Dynamic load rating (radial)
C0r - 118000 N / Static load rating (radial)
nG - 5500 1/min / Limiting speed
nB - 4950 1/min / Reference speed
Cur - 6500 N / Fatigue limit load, radial
Main dimensions to DIN 628-3, double row, separable, Angle α = 45°