HOME >> Services >> Partners >> FAG Bearing
FAG Bearing
IKO Bearing
INA Bearing
KOYO Bearing
NACHI Bearing
NSK Bearing
NTN Bearing
SKF Bearing
TIMKEN Bearing

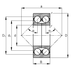
Bearing number : 3314-DA
Size (mm) : 70x150x63.5
Brand : FAG
Bore Diameter (mm) : 70
Outer Diameter (mm) : 150
Width (mm) : 63,5
d - 70 mm
D - 150 mm
B - 63,5 mm
a - 141 mm
D1 - 132,4 mm
Da max - 138 mm
d1 - 118,2 mm
da min - 82 mm
ra max - 2,1 mm
rmin - 2,1 mm
α - 45 ° / Angle
m - 5,36 kg / Weight
Cr - 157000 N / Dynamic load rating (radial)
C0r - 157000 N / Static load rating (radial)
nG - 4800 1/min / Limiting speed
nB - 4550 1/min / Reference speed
Cur - 8200 N / Fatigue limit load, radial
Main dimensions to DIN 628-3, double row, separable, Angle α = 45°