HOME >> Services >> Partners >> FAG Bearing
FAG Bearing
IKO Bearing
INA Bearing
KOYO Bearing
NACHI Bearing
NSK Bearing
NTN Bearing
SKF Bearing
TIMKEN Bearing

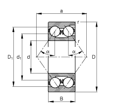
Bearing number : 3315
Size (mm) : 75x160x68.3
Brand : FAG
Bore Diameter (mm) : 75
Outer Diameter (mm) : 160
Width (mm) : 68,3
d - 75 mm
D - 160 mm
B - 68,3 mm
a - 117 mm
D1 - 141,2 mm
Da max - 148 mm
d1 - 105,5 mm
da min - 87 mm
ra max - 2,1 mm
rmin - 2,1 mm
α - 35 ° / Angle
m - 6,07 kg / Weight
Cr - 184000 N / Dynamic load rating (radial)
C0r - 192000 N / Static load rating (radial)
nG - 4400 1/min / Limiting speed
nB - 4350 1/min / Reference speed
Cur - 9700 N / Fatigue limit load, radial
Main dimensions to DIN 628-3, double row, Angle α = 35°